Преобразователь частоты K751 380В 3Ф 90-110кВт 176-210А со встроенным тормозом ONI

Артикул: K751-33-90110TM; Выходная мощность [кВт]: 90-110; Выходной ток [А]: 176-210; Количество фаз: 3;
Модель Выходная мощность [кВт] Выходной ток [А] Количество фаз Цена
K751-33-90110TM 90-110 176-210 3 в заявку

Представленные цены не являются публичной офертой, для уточнения цены свяжитесь с нашими менеджерами.

Описание

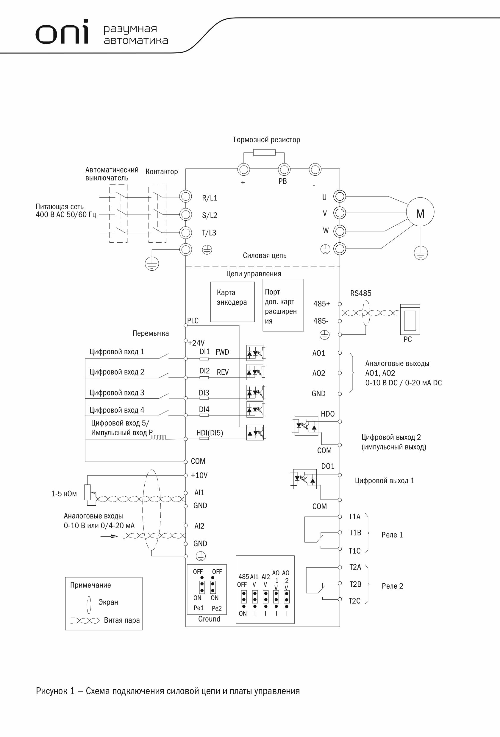
Преобразователь частоты для общепромышленных и тяжелых применений с векторной обратной связью, поддержкой Modbus RTU/TCP, платами расширения (пром. протоколы, плата вх/вых, энкодер/резольвер). Основное предназначение - управление работой подъемников и крановых механизмов. Отлично зарекомендовали себя в жилом, коммерческом строительстве и различных отраслях промышленности. За счет наличия большого числа встроенных защит значительно продлевается срок службы электродвигателя.

Срок службы:

  • 7 лет

Гарантия:

  • 2 года

Преимущества

  • КПД - до 98% за счёт использования современных IGBT от ведущих производителей.
  • Наличие специального блока параметров P59 для управления подъёмным механизмом и механическим тормозом.
  • Разъём STO на плате управления для реализации функции безопасного отключения момента (STO SIL3).
  • Функция EEPROM для восстановления событий и настройки ПЧ.
  • Встроенный фильтр ЭМС С3, дроссель постоянного тока и тормозной модуль.
  • Два базовых релейных выхода и подключение дополнительного реле через DO.
  • Два слота под платы расширения.
  • Лакокрасочное покрытие плат ПЧ до 500 мкм для защиты от мелкодисперсных сред.
  • Поддержка работы с тепловыми датчиками электродвигателя.

Технические характеристики

Выход мощность при номин выход напряжении, кВт 90.00
Выходной ток HD-реж постоянной нагрузки, А 176.0
Поддержка протокола MODBUS Да
Выходная частота, Гц 0...600
Температура эксплуатации, °C -10...40
Количество фаз 3
Макс частота на выходе, Гц 600
Климатическое исполнение УХЛ3.1
Степень защиты - IP IP20
Сетевое напряжение, В 400
Класс защиты от поражения электрическим током I
С Возможн подключения ПК-персонального компьютера Да
Допускается применение в пром зоне Да
Поддержка протокола PROFINET IO Нет
Тип охлаждения Вентилятор (встроенный)
Номинальное выход напряжение, В 400
Поддержка протокола ASI Нет
Поддержка протокола Data-Highway Нет
Поддержка протокола INTERBUS Нет
С блоком управления Да
Входной ток HD-реж постоянной нагрузки, А 170
Макс сечение входящего кабеля, мм² 70
Количество выход фаз 3
Поддержка протокола Foundation Fieldbus Нет
Поддержка протокола CAN Нет
Поддержка протокола PROFINET CBA Нет
Поддержка протокола EtherNet или IP Нет
Частота сети 50/60 Гц
Выход. напряжение, В 0...483
Несущая частота, кГц 1...4
Поддержка протокола SUCONET Нет
Поддержка протокола PROFIBUS Нет
Поддержка протокола LON Нет
С встроенными тормозными сопротивлениями Да
Поддержка протокола DeviceNet Нет
Входной ток ND-реж переменной нагрузки, А 220
Номинальный выходной ток I2N, А 210.0
Ширина, мм 350
Поддержка протокола DeviceNet Safety Нет
Высота, мм 640
Макс. выходное напряжение, В 483
Поддержка AS-Interface Safety at Work Нет
Поддержка протокола TCP или IP Нет
Диапазон раб вход напряжения, В 323...483
Поддержка протокола SERCOS Нет
Глубина, мм 290
Вес, кг 40,5
Тип преобразователя Прочее
Макс выход при линейной нагрузке при номин выход напряж, кВт 90
Выходной ток ND-реж переменной нагрузки, А 210.0
Количество вход фаз 3
Поддержка протокола PROFIsafe Нет
Поддержка протокола INTERBUS-Safety Нет
Поддержка протокола SafetyBUS p Нет
Поддержка протокола KNX Нет
Количество HW-интерфейсов RS-485 1
Макс мощность двигателя HD-реж пост нагрузки, кВт 90
Макс мощность двигателя ND-реж перем нагрузки, кВт 110